TEF 9980, TRANBERG® Status Light, 700 cd, Red LED + IR, Rated operational voltage DC: 16 ... 32 V: Power: 30 W Installation in Zone 1 and in safe areas
- Product Type: TEF9980000
- Art. No.: 262975
On request
Technical data
General
| MY R. STAHL | T9980A |
| Product Type | TEF9980000 |
| Product description | TRANBERG® main light for helicopter deck |
| Highlights | Automatic monitoring of all light units when in combination with Tranberg control system. No need for redundancy unitsMaintenance freeNight vision goggle (NVG) compatibleLow power consumption: Main light, 30 W and Repeater light 3.5 W |
| Functional Description |
The TEF9980 Status lights are designed to fulfil the latest requirements of CAA UK CAP 437, as well as operator’s needs for products that are cost-effective, reliable, require no maintenance and are applicable for use in all environments. The TEF 9980 Status light is available as a main light and as a repeater light. Both versions are fully monitored, which eliminates the light units’ redundancy need. A status light system should be installed if a condition can exist on an installation which may be hazardous for the helicopter or its occupants. The system should be a flashing red light (or lights), visible to the pilot from any direction of approach and on any landing heading. The aeronautical meaning of a flashing red light is either “do not land, aerodrome not available for landing” or “move clear of landing area”. Applications: - Status light as described in CAA UK CAP437, NORMAM-27/DPC and 2009 MODU Code |
Explosion Protection
Electrical Data
Auxiliary power
Lighting Data
Ambient Conditions
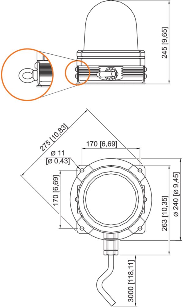
Mechanical Data
Mounting / Installation
Components
Commercial data
Downloads
| Description | Document Type | Language | |
|---|---|---|---|
| TRANBERG® Status Light - TEF 9980 - de-DE | Product Overview |
![]() |
|
| TRANBERG® Status Light - TEF 9980 - en-GB | Product Overview |
![]() |
|
| TRANBERG® Status Light - TEF 9980 - es-ES | Product Overview |
![]() |
|
| TRANBERG® Status Light - TEF 9980 - fr-FR | Product Overview |
![]() |
|
| TRANBERG® main light for helicopter deck - TEF9980000 - 262975 - de-DE | Single Data Sheet |
![]() |
|
| TRANBERG® main light for helicopter deck - TEF9980000 - 262975 - en-GB | Single Data Sheet |
![]() |
|
| TRANBERG® main light for helicopter deck - TEF9980000 - 262975 - es-ES | Single Data Sheet |
![]() |
|
| TRANBERG® main light for helicopter deck - TEF9980000 - 262975 - fr-FR | Single Data Sheet |
![]() |















