Position switch, Rod lever, 1 NC + 1 NO, Snap-action contact, Positive opening operation: No, Cable entry 8161 1xM20x1.5, Polyamide, Zone 1/2/21/22Core product
- Product Type: 8070/2-2-DD-U60
- Art. No.: 275069
On request
Technical data
General
| MY R. STAHL | 8070C |
| Product Type | 8070/2-2-DD-U60 |
| Highlights | Large temperature range of useLarge inner connection chamberPlastic Ex e enclosureDegree of protection IP66/67Five different contact versionsDifferent actuator versions which can be repositioned by 4 x 90°Can also be used as simple apparatus |
| Functional Description |
Position switches are used to position, control and monitor the moving parts on machines and systems. Because they meet the requirements of the EN 50 041 and IEC 60947-5-1 product standards, they can also be used as a position switch with a safety function. Series 8070/2 position switches are approved for use in hazardous areas of Zones 1, 2, 21 and 22. In conjunction with a safety door guard and the corresponding circuitry, the PL position switches fulfil the requirements of "e" in accordance with EN ISO 13849-1, or up to SIL 3 in accordance with EN 62061. They are identified with the character to signify positive opening. There are snap- and slow-action versions with different types of contacts as well as with a variety of different actuating elements. |
Explosion Protection
Electrical Data
Ambient Conditions
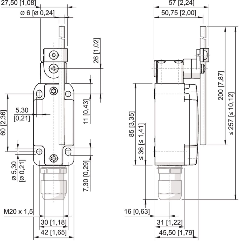
Mechanical Data
Mounting / Installation
Components
Commercial data
Downloads
| Description | Document Type | Language | |
|---|---|---|---|
| Position switch - 8070 - de-DE | Product Overview |
![]() |
|
| Position switch - 8070 - en-GB | Product Overview |
![]() |
|
| Position switch - 8070 - es-ES | Product Overview |
![]() |
|
| Position switch - 8070 - fr-FR | Product Overview |
![]() |
|
| Position switch - 8070/2-2-DD-U60 - 275069 - de-DE | Single Data Sheet |
![]() |
|
| Position switch - 8070/2-2-DD-U60 - 275069 - en-GB | Single Data Sheet |
![]() |
|
| Position switch - 8070/2-2-DD-U60 - 275069 - fr-FR | Single Data Sheet |
![]() |
|
| Position switches - 8070/2-2-DD-U60 - 275069 - es-ES | Single Data Sheet |
![]() |






















