In flameproof enclosure, Sounder, red, similar to RAL 3020, max. 114 dB(A) @ 1 m, 12 ... 27.20 V DC, Cable glands and entries: 1 x M20 Ø 4 ... 13 mm/1 x M25 Ø 7 … 17 mm, Zone1/2/21/22
- Product Type: YA60/326-DS001-000030-ST000-0000
- Art. No.: 312375
Available in stock
Technical data
General
| MY R. STAHL | YA60C | 
| Product Type | YA60/326-DS001-000030-ST000-0000 | 
| Highlights | The latest generation of audible and visual alarm devicesEx d/Ex e connection chambersAudible solutions with directional or omnidirectional horn with up to 120 dB(A) at 1 m, 4 tone channels and 64 preconfigured tonesFour output levels can be configuredBrackets and fixings made from stainless steelCompliant with EN 54/DNVFastening bracket included | 
| Functional Description | The YA60/3 product series provides audible alarm signals which can be used to alert, warn or draw attention to equipment malfunction/start-up or any number of safety-related issues in hazardous areas. The preconfigured signal tones provide a wide range of internationally standardised signal patterns, whereby four channels are available for each, enabling flexible use. The signalling devices meet the requirements of EN 54 and DNV for extremely challenging ambient conditions. | 
Explosion Protection
Electrical Data
Acoustic Data
Ambient Conditions
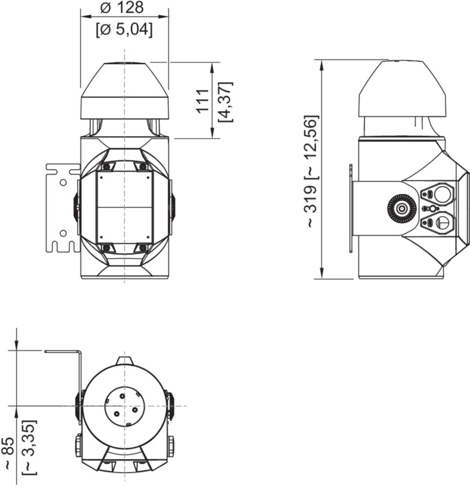
Mechanical Data
Mounting / Installation
Components
Commercial data
Downloads
| Description | Document Type | Language | |
|---|---|---|---|
| Audible signalling device - YA60/3 - de-DE | Product Overview |  | |
| Audible signalling device - YA60/3 - en-GB | Product Overview |  | |
| Audible signalling device - YA60/3 - es-ES | Product Overview |  | |
| Audible signalling device - YA60/3 - fr-FR | Product Overview |  | |
| Audible signalling device Sounder In flameproof enclosure - YA60/326-DS001-000030-ST000-0000 - 31237 ... | Single Data Sheet |  | |
| Audible signalling device Sounder In flameproof enclosure - YA60/326-DS001-000030-ST000-0000 - 31237 ... | Single Data Sheet |  | |
| Audible signalling device Sounder In flameproof enclosure - YA60/326-DS001-000030-ST000-0000 - 31237 ... | Single Data Sheet |  | |
| Audible signalling device Sounder In flameproof enclosure - YA60/326-DS001-000030-ST000-0000 - 31237 ... | Single Data Sheet |  | 




 
 
 







