8550/1-OL-GLS3-E10-80-95-11, Overload protection, Trigger class: Class E10, Connection cross-section, Auxiliary contacts, Zone 1, 2
- Product Type: 8550/1-OL-GLS3-E10-80-95-11
- Art. No.: 283722
Technical data
General
| MY R. STAHL | 8550B |
| Product variant | with auxiliary contacts |
| Product Type | 8550/1-OL-GLS3-E10-80-95-11 |
| Product description | Overload protection |
| Highlights | Modular component for monitoring motor overload up to 37 kW/50 hp at 400/480 VThe electronic relay is not affected by fluctuations in the ambient temperatureLarge cable dia. range of the main terminalsTrigger class E5, E10, E20 and E30 can be selected via type codeIntegrated earth fault protectionWide adjustment range of the overload release from 20 to 80 AIntegrated reset button and electronic reset via 24 V DC actuation |
| Functional Description | The R. STAHL Series 8550 electronic overload relay is a component for monitoring the load current of motors. It reliably reports an overload and safely shuts off the motor using a contactor. Together with the moulded case circuit breaker in the same series which is also available, these three components form a motor starter which reliably controls powers up to 37 kW/50 hp at 400 or 480 V (other powers available on request). Earth fault protection is also integrated. This means that Ex d and Ex e motors are safely protected at all points. The broad adjustment range of the overload current optimises the variety of versions. Resetting in case of error is either done manually on the unit on-site via the integrated reset button, or electrically via the control system. |
Explosion Protection
Electrical Data
Ambient Conditions
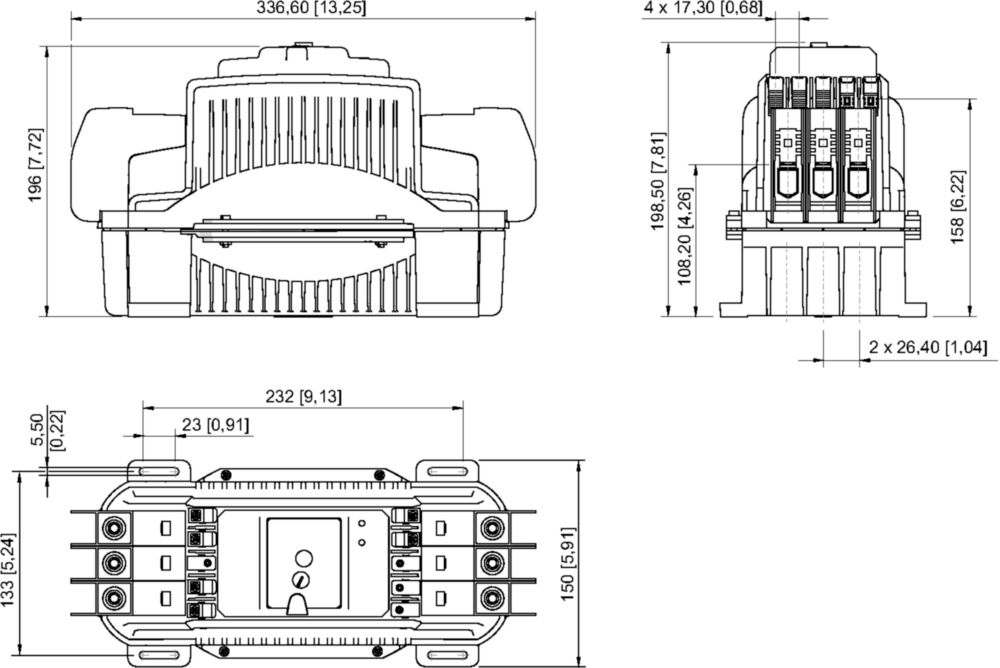
Mechanical Data
Mounting / Installation
Commercial data
Downloads
| Description | Document Type | Language | |
|---|---|---|---|
| Overload relay - 8550 - de-DE | Product Overview |
![]() |
|
| Overload relay - 8550 - en-GB | Product Overview |
![]() |
|
| Overload relay - 8550 - en-US | Product Overview |
![]() ![]() |
|
| Overload relay - 8550 - es-ES | Product Overview |
![]() |
|
| Overload relay - 8550 - fr-FR | Product Overview |
![]() |
|
| Overload protection - 8550/1-OL-GLS3-E10-80-95-11 - 283722 - de-DE | Single Data Sheet |
![]() |
|
| Overload protection - 8550/1-OL-GLS3-E10-80-95-11 - 283722 - en-GB | Single Data Sheet |
![]() |
|
| Overload protection - 8550/1-OL-GLS3-E10-80-95-11 - 283722 - en-US | Single Data Sheet |
![]() ![]() |
|
| Overload protection - 8550/1-OL-GLS3-E10-80-95-11 - 283722 - es-ES | Single Data Sheet |
![]() |
|
| Overload protection - 8550/1-OL-GLS3-E10-80-95-11 - 283722 - fr-FR | Single Data Sheet |
![]() |

























